Tonbandservice

Ein Portal für die Reparatur und Wartung von 

Geräten der Reihe UHER Report 4000 - 4400 

und UHER Report Monitor 4000 - 4400

Part Of A Whole

Ein optisch recht ansprechendes UHER Report 4000 L hatte leider die Eigenart, beim Aufdrehen der Lautstärke den Ton zu verzerren und einen Brumm zu erzeugen. Der Fehler war relativ schnell ausgemacht. Die Endstufe und zwei Elkos waren defekt. Der Austausch bereitete keine Schwierigkeiten. Allerdings zeigte sich nach einem kurzen Testbetrieb, dass die Aufnahmefunktion ausgefallen war. Das Band wurde nicht mehr gelöscht und die Aufnahme war nur sehr leise und verzerrt.

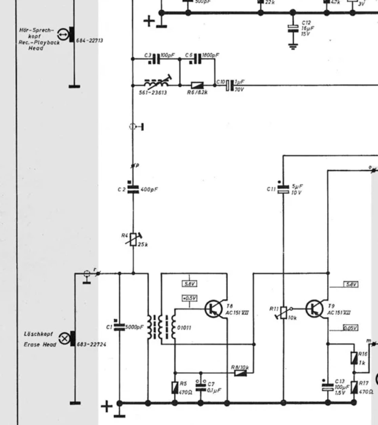
Dies war ein deutlicher Hinweisauf ein Problem mit dem HF-Oszillator und der Vormagnetisierung. Also musste der Fehler in diesem Bereich zu finden sein:

Die Messung der Spannungen an T 8 ergab keine Auffälligkeiten. Nach der Anzeige auf dem Oszilloskop war zu erkennen, dass der Oszillator schwingt. Allerdings hüpften die Sinuskurven wild auf und ab und hin und her. Dies ließ auf ein HF-Problem („wilde“ Schwingungen) schließen.

Diese treten z. B. dann auf, wenn HF gegen Masse kurzgeschlossen wird. So war es nicht schwer, den Kondensator ausfindig zu machen, der die HF gegen Masse blocken soll. Es handelt sich dabei um C 12. Dieser Kondensator war „durchgeschossen“ und verursachte daher einen Kurzschluss.

Gut versteckt und erst nach Entfernen einer Schelle erreichbar präsentiert sich C 12.

Nach Austausch des Kondensators waren die Sinusschwingungen wieder still und ruhig auf dem Display des Oszilloskops zu erkennen.

Aber die Aufnahme funktionierte noch immer nicht. Die systematische Prüfung der Bauteile im HF-Oszillator ergab keine Fehler, alle Bauteile waren in Ordnung. Allerdings hatte ich eine wichtige Tatsache übersehen: Der Löschkopf ist nämlich auch Teil des Oszillators, also „Part Of The Whole“. Dies ist auch aus dem Schaltbild zu erkennen. Und genau dieser Löschkopf war defekt. 

Nach Austausch des Löschkopfes war die Aufnahme wieder laut, klar und kräftig. Es folgte der Abgleich nach den Vorgaben des Serviceheftes und das Gerät lief wieder wie am ersten Tag.

Zunächst!

Aber dann kam das Erwachen. Die Aufnahme funktionierte zwar, aber bei leisen Stellen oder bei Lücken zwischen zwei Titeln hörte man leise die vorherige, also gelöschte Aufnahme, durch. Die „elektrische“ Prüfung ergab keine Anhaltspunkte für einen Fehler. Also musste es an der Mechanik liegen. genauer gesagt an der Justierung der beiden Köpfe und des Bandlaufs. Den Löschkopf kann man nicht nach verschiedenen Achsenlagen verstellen, er ist nur in geringem Umfang drehbar. Es leuchtet ein, dass die Position des Spaltes am Löschkopf höhenmäßig exakt mit dem Spalt des Aufnahme-/Wiedergabekopfes übereinstimmen muss.

Der Bandlauf muss präzise eingestellt sein. Hierbei sind die Führungsbolzen A und B ebenso hinzudrehen wie der Tonkopf mit den Schrauben C, D und E. Diese Arbeit ist recht mühsam und muss laufend überprüft werden. Bei korrektem Bandlauf und exakter Einstellung der Köpfe ist bei Aufnahme ohne Signal nur ein Rauschen zu hören, aber keine Überbleibsel von der vorherigen Aufnahme. 

Dies war zunächst nicht der Fall, aber nach exakter Justierung funktioniert dies jetzt einwandfrei.